Встройка в стену SLV 1000576
Код товара: 748998
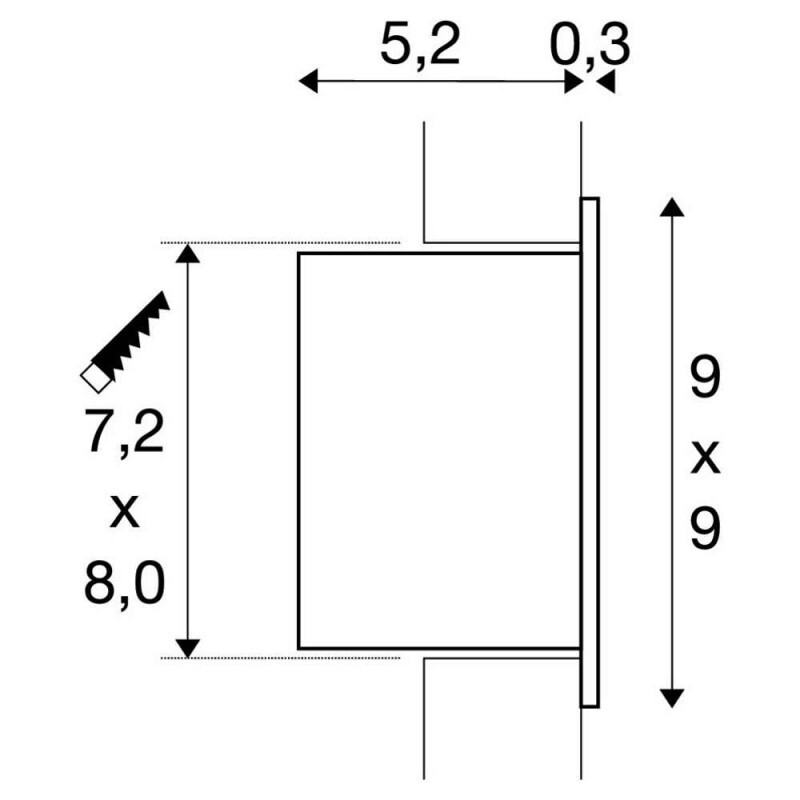
Характеристики
Гарантия
—
1 год
14 040р.
FRAME BASIC LED HV светильник встраиваемый 3.1Вт с LED 2700К, 140лм, белый
